Koło ręczne pełne 72661-R-K VDS.100-A10-K - ELESA+GANTER
Cena regularna:
Cena regularna:
towar niedostępny
dodaj do przechowalni
Opis
Materiał:
Wysokoudarowy technopolimer na bazie polipropylenu (PP), kolor czarny, wykończony na mat.
Technopolimer na bazie żywic acetalowych (POM), kolor jasnoszary, montaż na wcisk, może być wyjęta po naciśnięciu na krawędź (oryginalna konstrukcja ELESA).
Wtopka stalowa, oksydowana na czarno, z otworem rozwiercanym standardowo w tolerancji H7.
- VDS: bez rękojeści.
- VDS+I: z rękojeścią obrotową I.621+x z technopolimeru.
- VDS+IEL: z rękojeścią obrotową IEL+x SOFT z technopolimeru, pokrytego miękkim w dotyku elastomerem (TPE).
- VDS+IR: z rękojeścią obrotową składaną IR.620 z technopolimeru.
- VDS+IRS: z rękojeścią składaną, obrotową, bezpieczną IRS.820 z technopolimeru.
Wtopka ze stali nierdzewnej AISI 304 z otworem rozwiercanym standardowo w tolerancji H7.
- VDS-SST: bez rękojeści.
- VDS+I-SST: z rękojeścią obrotową I.621+x-SST z technopolimeru.
- VDS+IR-SST: z rękojeścią obrotową, składaną IR.620-SST z technopolimeru.
- VDS+IRS-SST: z rękojeścią obrotową, składaną, bezpieczną IRS.820-SST z technopolimeru.
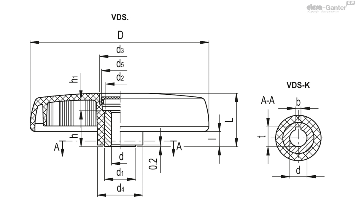
K: indeks na końcu kodu i oznaczenia dla wykonania z otworem z rowkiem wpustowym zgodnie z DIN 6885/1, w tolerancji P9, przykładowy kod i oznaczenie:
72641-R-K VDS.80-A-8-K
Akcesoria:
- GN 184 podkładka ustalająca osiowa ze stali oksydowanej na czarno.
- GN 184.5 podkładka ustalająca osiowa ze stali nierdzewnej AISI 303 (patrz strona ).
- ECB.D nasadka ze wzmocnionego włóknem szklanym technopolimeru na bazie poliamidu (PA), w jednym z kolorów Elecolors, wykończona na mat, montaż na wcisk, dostępna dla VRTP.125, VRTP.150 i VRTP.175 (patrz tabela).
Specyfikacja techniczna:


|
Parametr |
Wartość |
|---|---|
| D | 102 mm |
| dH7 | 10 mm |
| L | 34 mm |
| d1 | 22 mm |
| d2 | 20 mm |
| d3 | 27 mm |
| d4 | 30 mm |
| d5 | 25 mm |
| l | 10 mm |
| h | 22 mm |
| h1 | 9 mm |
| t | 11.4 mm |
| b | 3 |
| C# [Nm] | 60 |
| L# [J] |
13 |
| Waga | 140 g |
# Maksymalny moment skręcający (C) i odporność na uderzenia (L)
Dane techniczne
| Rękojeści | Bez rękojeści |
| Rodzaj montażu | otwór gładki z rowkiem wpustowym |
| Otwór [mm] | 10 |
| Średnica zewnętrzna [mm] | 102 |









Wyświetlane są wszystkie opinie (pozytywne i negatywne). Nie weryfikujemy, czy pochodzą one od klientów, którzy kupili dany produkt.